Why Partnering with JayComp Development Makes Refrigeration Easy
Choosing the right commercial refrigeration system is one of the most critical decisions a business owner in the food service or retail…
Read MoreA Fully Customized Floor Plan and Architectural Drawings for your Liquor Store, Convenience Store, Grocery Stores and more. We develop your project from the ground up.
Get a QuoteOur process of creating a floor plan and drawings for your liquor store.
Electric, Plumbing, Cooling. We plan and develop all of the mechanical systems for your convenience or liquor store.
We design all walk in elements such as walk in coolers, and freezers.

We start with the floor plan.

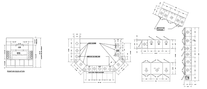
We Select and arrange the equipment package Layout the Interior Walls, Then We Specify and Locate the Plumbing.

We Then Provide the Framing Layout.

We provide the electrical layout and power requirements for the equipment package.

We design the Walk In Elements with refrigeration calculations and power requirements.

We then Provide Cabinet Layouts complete with cup condiment and waste receptacles.

We then work with the customer to develop their color graphics.

Then we Deliver the package and you have a store that reflects your tastes and needs complete with a functional equipment package.
JayComp Development is a liquor store design company specializing in liquor store floor plan design. Floor Plan Design includes:
Next, we bring together these elements with Graphics and Decor that compliments the design and bring together a package planned for your precise needs and tastes.
There are several companies in the marketplace who deal in segments of the Liquor Store needs. However, there are few businesses that comprehend what it takes to coordinate and design a Liquor Store, Grocery Store, or Convenience Store project from concept to finished job. At JayComp Development, you can have all of the segments coordinated and supplied to you from one company!
We designed and developed this liquor store project from the ground up. JayComp Development created the floor plan, designed the liquor store, and oversaw the entirety of the construction process including the installation of the walk in cooler and beer cave installation.

DX's Liquor project gallery
Choosing the right commercial refrigeration system is one of the most critical decisions a business owner in the food service or retail…
Read MoreThe world of commercial refrigeration is on the brink of a significant transformation. For decades, the core technology remained relatively…
Read MoreWhen business owners shop for commercial refrigeration, they typically focus on the basics: size, capacity, and price. A reach-in cooler is…
Read MoreYour commercial reach-in coolers are vital assets in your business. They protect thousands of dollars in perishable inventory, ensure you…
Read MoreWhen setting up a business that handles perishable goods, such as a restaurant, convenience store, or grocery, one of the most critical…
Read MoreThe lunch rush hits. The doors to your convenience store swing open, and a steady stream of customers heads straight for the beverage…
Read MoreWe look forward to hearing from you! We are experts in store design and construction, foot traffic planning, walk in cooler design, and so much more. Contact Us Today! We love helping customers!
